2-канальний інтерфейс, Hafele Connect Mesh 80-230 В| З безпотенційним реле, 39 x 44 x 21 мм, (850.00.046)
Артикул:
850.00.046
Інструкції та каталоги
- Інструкція Hafele Connect Mesh Interface
- DEІнструкція з експлуатації 2.0
- 2-канальний інтерфейс
- DEІнструкція з експлуатації
- Connect Mesh App
Рекомендації при оформленні замовлення:
Будь ласка, замовте 6-сторонній розподільник Hafele Connect Mesh окремо.
Кнопка для настінного кріплення (наприклад, Gira 015500) і коробка для порожнини на місці.
Поставляється в комплекті:
1 2-канальним інтерфейсом
Програмування кнопок за допомогою програми для керування кожною вузол мережі (усі функції доступні, натиснувши або утримуючи кнопку).
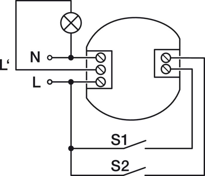
Особливість: 2-канальний інтерфейс надсилає імпульси перемикання з двох вхідних портів у мережу з функціями ввімкнення/вимкнення/затемнення та може отримувати сигнали увімкнення/вимкнення (без затемнення), щоб увімкнути кімнатне освітлення чи інші домашні установки, такі як сонцезахисні жалюзі, через вихід 80–240 В.
Лише навчені електрики з відповідною кваліфікацією мають право встановлювати, запускати та обслуговувати виріб.
Будь ласка, замовте 6-сторонній розподільник Hafele Connect Mesh окремо.
Кнопка для настінного кріплення (наприклад, Gira 015500) і коробка для порожнини на місці.
Поставляється в комплекті:
1 2-канальним інтерфейсом
Програмування кнопок за допомогою програми для керування кожною вузол мережі (усі функції доступні, натиснувши або утримуючи кнопку).
Особливість: 2-канальний інтерфейс надсилає імпульси перемикання з двох вхідних портів у мережу з функціями ввімкнення/вимкнення/затемнення та може отримувати сигнали увімкнення/вимкнення (без затемнення), щоб увімкнути кімнатне освітлення чи інші домашні установки, такі як сонцезахисні жалюзі, через вихід 80–240 В.
Лише навчені електрики з відповідною кваліфікацією мають право встановлювати, запускати та обслуговувати виріб.
Сфера застосування: Для керування мережевими компонентами Hafele Connect у мережі
Бренд:
Модель: Connect Mesh
Версія: З безпотенційним реле
Тип виробу: 2-канальний інтерфейс
Посилання на встановлення: Підходить для встановлення в розподільні коробки (рекомендована глибина коробки) 60 мм)
Міжнародні сертифікати: Австралія RCM, Японія JATE TELEC MIC, Велика Британія UKCA
Бездротова технологія: Bluetooth®
Ступінь захисту: IP20
Ярлики для правильного використання: використовувати лише в закритих сухих приміщеннях.
Вилка напруга мережі: Пряме підключення для кріплення гвинтами
Підключення: 2 входи перемикання для звичайних стандартних настінних кнопок (подвійний), 1 вихідний порт для ввімкнення/вимкнення 80–240 В, макс. 3 A, (макс. 240 Вт при 80 В і 720 Вт при 240 В), (може керуватися будь-яким активним компонентом у мережі)
Розм. (Д x Ш x В): 39 x 44 x 21 мм
Матеріал: Пластик
Споживання електроенергії: 2,00 Вт
Бренд:
Модель: Connect Mesh
Версія: З безпотенційним реле
Тип виробу: 2-канальний інтерфейс
Посилання на встановлення: Підходить для встановлення в розподільні коробки (рекомендована глибина коробки) 60 мм)
Міжнародні сертифікати: Австралія RCM, Японія JATE TELEC MIC, Велика Британія UKCA
Бездротова технологія: Bluetooth®
Ступінь захисту: IP20
Ярлики для правильного використання: використовувати лише в закритих сухих приміщеннях.
Вилка напруга мережі: Пряме підключення для кріплення гвинтами
Підключення: 2 входи перемикання для звичайних стандартних настінних кнопок (подвійний), 1 вихідний порт для ввімкнення/вимкнення 80–240 В, макс. 3 A, (макс. 240 Вт при 80 В і 720 Вт при 240 В), (може керуватися будь-яким активним компонентом у мережі)
Розм. (Д x Ш x В): 39 x 44 x 21 мм
Матеріал: Пластик
Споживання електроенергії: 2,00 Вт
-
Вид товару:Розгалужувачі
-
Норма пакування:1 шт
Поки немає відгуків