Каталог товарів

Фурнітура для розсувних дверей Slido D-Line11 120J комплект без направляючої| Для 1-стулкових скляних розсувних дверей, для дверей вагою 120 кг, без плавного та самозакриваючого механізму, Ходова частина з підшипником осі, Направляючий буфер із утримуючою пружиною, Ширина дверей: більше 510 мм, (941.25.022), аналог до арт. (941.25.140)

Артикул: 941.25.022
В наявності
Доставка по Україні 2 - 3 дні
Передзамовлення
Регулярна доставка з Німеччини, термін виконання 10-14 днів
В наявності
Готовий до відправки (кількість уточнюйте)
Версія закриття:
стопор - стопор доводчик - стопор доводчик - стопор з демпфером доводчик - доводчик
Вага полотна, кг:
50 80 120
0,00 грн
2 074,82 грн
+

Способи доставки
  • Самовивіз з Нової пошти, Укрпошти
  • Кур'єр Нової Пошти
  • Самовивіз з магазину
  • Інші транспортні служби
Способи оплати
  • Безготівковий переказ
  • Приват 24

Video

Механізм з мяким закриттям та самозакриванням:
З половиною сили відкривання
Випробувано з подвійною швидкістю зачинення до 0,5 м/с.
Можна будь-коли модернізувати або замінити
Доступність: Сила відкривання з вагою дверей 50 кг: 18 Н / 80 кг : 21 N
Новий амортизатор:
Швидкість закривання з амортизатором протестовано до 0,4 м/с
Рекомендації при оформленні замовлення:
Будь ласка, замовляйте затискну площадку для скла, направляючі, панелі та аксесуари окремо.
Замовляйте 2 комплекти для 2-стулкових розсувних дверей.
Поставляється в комплекті:
2 ходовими механізмами
1 прозорою направляючою для підлоги порогу
2 буфером для доріжок із утримуючою пружиною
Зверніть увагу, якщо використовуєте амортизатор із утримуючою пружиною: двері можуть не зачинятися повністю, якщо швидкість закривання надто низька, якщо вона надто висока, двері можуть злегка відскочити.
Якщо потрібно, комплекти можна модернізувати без або з механізмом м’якого та самозакривання з одного боку, з механізмом м’якого та самозакривання або амортизатором.
Немає торцевої заглушки для встановлення на стелі з лицьовою панеллю обидві сторони. Пару торцевих заглушок можна прикріпити один до одного та приклеїти вертикально в центрі шини (необов’язково).

Опис

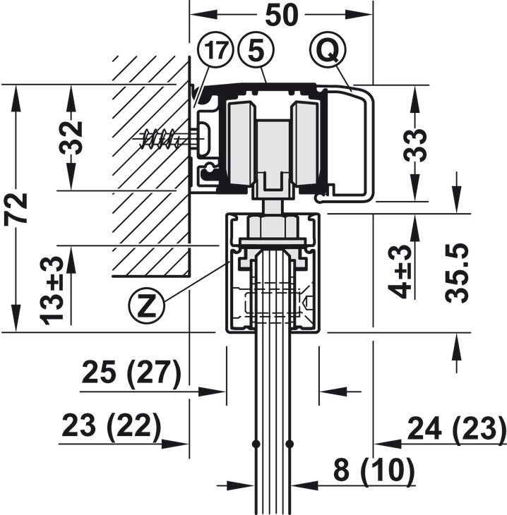
Для матеріалу дверей: скло
Варіанти встановлення контролера: Стельовий монтаж, Настінний монтаж
Для скла товщиною із загартованим безпечним склом: 8 мм, 10 мм
Для скла товщиною з ламінованим склом: 2 x ESG 10–10,7 мм, 2 x ESG 8–8,7 мм
Можливість регулювання: Регулювання висоти: ±3 мм
Кількість дверей: 1,00
Область застосування: для 1-стулкових і 2-стулкових розсувних дверей
Макс. кількість дверей на систему: від 1 до 2
Для типу скла: Загартоване безпечне скло, Ламіноване скло
Робоче положення: Зверху
Встановлення: Підвіска із затискним з’єднанням скла
Обробка дверей: Без підготовки скла

Характеристики
  • Версія закриття:
    стопор - стопор
  • Вага полотна, кг:
    120
  • Ширина полотна, мм:
    від 510
  • Товщина полотна, мм:
    8-10
  • Виконання :
    класичне
  • Модель :
    120 J
  • Виробництво:
    Hafele
  • Норма пакування:
    1 комплект
Відгуки
Поки немає відгуків
Написати відгук
Ім'я*
Email
Введіть коментар*