Замок врізний, для евакуаційних шляхів і зон паніки, 1013 PZ, профільний циліндр, BMH| З функцією паніки B, ширина передньої частини: 20 мм, кріплення: справа, Розмір А (від планки до ручки) A 65 мм, (911.56.165) 8301401900
Артикул:
911.56.165
Інструкції та каталоги
Рекомендації при оформленні замовлення:
Необхідна фурнітура
всередині: ручка-важіль
зовні: ручка-важіль
Ширина передньої частини 20 мм для дверей з фальцем
Ширина передньої частини 24 мм для дверей врівень
Необхідна фурнітура
всередині: ручка-важіль
зовні: ручка-важіль
Ширина передньої частини 20 мм для дверей з фальцем
Ширина передньої частини 24 мм для дверей врівень
Стандарт: Сертифіковано відповідно до EN 179:2008. Стандарт EN 179 відповідає лише спільно перевіреним наборам фурнітури.
Сфера застосування: Шляхи евакуації та зони паніки
Для типу дверей: двері аварійного виходу, вогнестійкі та протидимні двері
Для кількості дверей: 1-стулкові двері
Для матеріалу дверей: дерево, сталь
Підготовлено для: Профільний циліндр
Функція тривожного замка: Функція тривожного шлюзу D
Матеріал: Передня частина: Нержавіюча сталь, засув і засув: Сталевий корпус: Сталь
Колір/обробка : Засув і засув: нікельований Корпус замка: оцинкований, Передня частина: Сатинований важіль: Нікельований корпус замка: Оцинкований
Дизайн передньої частини: Плоска заокруглена передня частина
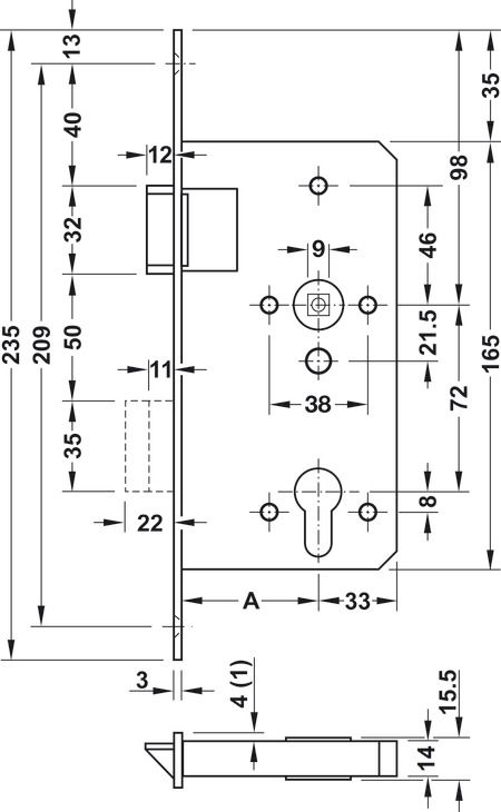
Довжина передньої частини: 235,00 мм
Дистанція: 72,00 мм
Киток ригеля: 2 оберти
Важіль: 9,00 мм
Версія важіля: Роздільна втулка
Класифікація згідно з EN 179: 3/7/7
B/1/3/5/2
A
B, D
Сфера застосування: Шляхи евакуації та зони паніки
Для типу дверей: двері аварійного виходу, вогнестійкі та протидимні двері
Для кількості дверей: 1-стулкові двері
Для матеріалу дверей: дерево, сталь
Підготовлено для: Профільний циліндр
Функція тривожного замка: Функція тривожного шлюзу D
Матеріал: Передня частина: Нержавіюча сталь, засув і засув: Сталевий корпус: Сталь
Колір/обробка : Засув і засув: нікельований Корпус замка: оцинкований, Передня частина: Сатинований важіль: Нікельований корпус замка: Оцинкований
Дизайн передньої частини: Плоска заокруглена передня частина
Довжина передньої частини: 235,00 мм
Дистанція: 72,00 мм
Киток ригеля: 2 оберти
Важіль: 9,00 мм
Версія важіля: Роздільна втулка
Класифікація згідно з EN 179: 3/7/7
B/1/3/5/2
A
B, D
-
Норма пакування:1 шт
Поки немає відгуків